本文絕對壓力遠程午夜香蕉视频資料由優質午夜香蕉视频生產報價廠家為您提供。
產品概述:
上海朝暉PT124B-3051GR(AR)差壓遠程傳輸午夜香蕉视频的波紋管用於防止管道中的介質直接進入午夜香蕉视频的壓力傳感器組件。壓力通過填充液體如矽油在波紋管和午夜香蕉视频之間傳遞。
PT124B-3051GR(AR)表壓/用於測量液體、氣體或蒸汽的液位、密度和壓力,然後將其轉換為4 ~ 20m模數轉換器hart電流信號輸出。PT124B-3051GR(AR)還可以與RST375手持終端或RSM100調製解調器通信,通過該通信可以進行參數設置和過程監控。PT124B-3051GR表壓/絕對壓力遠程午夜香蕉视频(未遷移時)的測量範圍為0-6千帕~ 25兆帕,遠程法蘭的額定壓力分別為1.6/4兆帕、6.4兆帕、10兆帕、150磅/平方英寸、300磅/平方英寸或600磅/平方英寸。
工作原理和結構
PT124B-3051GR(AR)表壓/絕對壓力遠傳午夜香蕉视频的結構由PT124B-3051GR(AR)係列表壓/絕對壓力午夜香蕉视频和帶毛細管的焊接遠傳法蘭組成。其工作原理與PT124B-3051GR(AR)係列表壓/絕對壓力午夜香蕉视频(見PT124B-3051GR(AR)係列表壓/絕對壓力係列午夜香蕉视频技術規範)相同,隻是壓力傳遞路徑略有不同:作用在遠傳法蘭上的壓力首先通過隔膜並充注遠傳法蘭上的液體,然後通過毛細管,最後到達測量傳感器的測量端
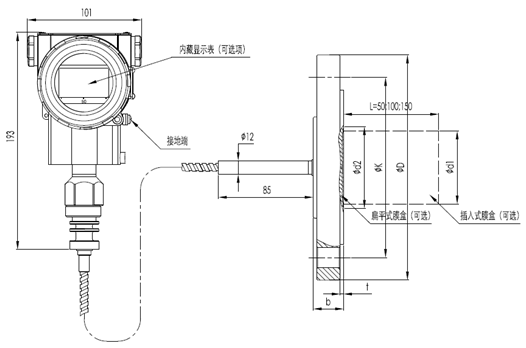
產品尺寸圖
基本遠程傳輸密封裝置圖

基本遠程傳輸密封裝置直接安裝圖

產品特性:
1.采用世界領先的高精度矽傳感器技術;
2.靜壓性能優良,最佳靜壓誤差≤ 0.1%/10兆帕;
3.傳感器內部集成了高靈敏度溫度傳感器,午夜香蕉视频具有出色的溫度性能。
4.快速響應速度。

電氣連接圖

上海朝暉相關產品:
產品型號產品名稱
PT124G-111經濟型直杆熔體壓力傳感器
PT124G-111T經濟型直杆溫度和壓力集成熔體傳感器
PT124G-112替代進口直杆式熔體壓力傳感器
PT124G-112T替代進口直杆溫壓集成熔體傳感器
PT124G-113環保型直杆熔體壓力傳感器
PT124G-113T環保型直杆溫壓一體化熔體傳感器
PT124G-116法蘭直杆熔體壓力傳感器
PT124G-121軟管經濟型熔體壓力傳感器
PT124G-121T軟管經濟溫度和壓力集成熔體傳感器
PT124G-123T替代進口軟管式溫壓熔體傳感器
PT124G-123取代進口軟管熔體壓力傳感器
PT124G-122環保軟管熔體壓力傳感器
PT124G-122T環保型軟管溫度和壓力集成熔體傳感器
PT124G-125防爆軟管熔體壓力傳感器
PT124G-125T防爆軟管溫度和壓力集成熔體傳感器
PT124G-126法蘭軟管熔體壓力傳感器
PT124G-128薄膜腔熔體壓力傳感器
PT124B-111經濟型直杆熔體壓力午夜香蕉视频
PT124B-111T經濟型直杆溫壓熔體午夜香蕉视频
PT124B-121軟管經濟熔體壓力午夜香蕉视频
PT124B-121T軟管經濟溫度和壓力集成熔體午夜香蕉视频
PT124B-112替代進口直杆熔體壓力午夜香蕉视频
PT124B-112T替代進口直杆溫壓整體熔體午夜香蕉视频
PT124B-123替代進口軟管熔體壓力午夜香蕉视频
PT124B-123T替代進口軟管式溫壓熔體午夜香蕉视频
PT124B-113環保型直杆熔體壓力午夜香蕉视频
PT124B-113T環保型直杆溫度壓力一體化熔體午夜香蕉视频
PT124B-122環保軟管熔體壓力午夜香蕉视频
PT124B-122T環保型軟管溫度和壓力集成熔體午夜香蕉视频
PT124B-115防爆熔體壓力午夜香蕉视频
PT124B-129智能數字顯示熔體壓力午夜香蕉视频
PT124B-129T智能數字顯示溫度和壓力集成熔體午夜香蕉视频
PT124B-116法蘭型直杆的熔體壓力午夜香蕉视频
PT124B-126法蘭軟管的熔體壓力午夜香蕉视频
PT124B-125防爆軟管熔體壓力午夜香蕉视频
PT124B-125T防爆軟管溫度和壓力集成熔體午夜香蕉视频
PT124B-128薄膜腔的熔體壓力午夜香蕉视频
PT124B-112D一鍵複位直杆熔體壓力午夜香蕉视频
PT124B-123D一鍵複位軟管熔體壓力午夜香蕉视频
PT124B-123DT單鍵透明軟管式溫壓整體熔體午夜香蕉视频
PT124G-210標準工業壓力傳感器
PT124G-211微熔工業控製壓力傳感器
PT124G-213陶瓷工業控製壓力傳感器
PT124G-214平板薄膜工業壓力傳感器
PT124B-210標準工業控製壓力午夜香蕉视频
PT124B-211微熔工業控製壓力午夜香蕉视频
PT124B-214噴射泵壓力午夜香蕉视频
PT124B-212擴散矽工業控製壓力午夜香蕉视频
PT124B-213陶瓷工業控製壓力午夜香蕉视频
PT124B-214平板薄膜工業控製壓力午夜香蕉视频
PT124B-215全焊接本質安全防爆工業控製壓力午夜香蕉视频
PT124B-216LCD數字顯示工業控製壓力午夜香蕉视频
PT124B-217夾鉗式工業控製壓力午夜香蕉视频
PT124B-218中高溫工業控製壓力午夜香蕉视频
PT124B-219防腐船用工業控製壓力午夜香蕉视频
PT124B-220輸入公式液位午夜香蕉视频
PT124B-221數字顯示輸入類型液位午夜香蕉视频
PT124B-222插入液位午夜香蕉视频
PT124B-223快速塞封液位午夜香蕉视频
PT124B-224耐腐蝕性液位午夜香蕉视频
PT124B-225電容液位午夜香蕉视频
PT124B-280標準防爆壓力午夜香蕉视频
PT124B-281耐腐蝕防爆壓力午夜香蕉视频
PT124B-282智能防爆壓力午夜香蕉视频
PT124B-283平麵膜防爆壓力午夜香蕉视频
PT124B-284夾具防爆壓力午夜香蕉视频
PT124B-285中高溫防爆壓力午夜香蕉视频
PT124Y-610直杆高溫熔體壓力計
PT124Y-612帶傳輸輸出的直杆式熔體壓力計
PT124Y-613直杆磁接觸壓力表
PT124Y-614軟管熔體壓力表
PT124Y-615軟管帶輸出熔體壓力表
PT124Y-615T撓性管溫壓一體化熔體壓力計
PT124Y-616帶觸點的磁組輸出壓力表
PT124Y-617法蘭熔體壓力表
PT124Y-620標準隔膜壓力表
PT124Y-621耐高壓衝擊隔膜壓力表
PT124Y-622壓板防震隔膜壓力表
PT124Y-623卡扣式防震隔膜壓力表
PT124Y-624法蘭防震隔膜壓力表
PT124Y-625抗震軸向安裝隔膜壓力表
PT124Y-627圓柱形壓力表
PT124B-2501灌漿傳感器
PT124B-2503灌漿傳感器
PT124B-2504灌漿傳感器
PT124B-2511土壓傳感器
PT124B-2512土壓傳感器
PT124B-2513土壓傳感器
PT124B-2521壓裂車專用壓力傳感器(聯管傳感器)
PT124B-230專用空調壓力午夜香蕉视频
PT124B-231專用空調壓力午夜香蕉视频
PT124B-232壓縮機特定壓力午夜香蕉视频
PT124B-233壓縮機特定壓力午夜香蕉视频
PT124B-234壓縮機特定壓力午夜香蕉视频
PT124B-235壓縮機專用壓力午夜香蕉视频
PT124B-240電子發動機機油壓力午夜香蕉视频
PT124B-241燃油泵壓力傳感器
汽車ABB係統的PT124B-242 壓力午夜香蕉视频
PT124B-243汽車燃油缸高壓共軌壓力午夜香蕉视频
PT124B-244 壓力午夜香蕉视频
PT124G-650數顯隔膜壓力表
PD9001智能PID控製儀
N70智能壓力顯示儀
N80智能壓力顯示儀
N90智能壓力顯示儀
N60智能壓力和溫度指示器
N50智能壓力溫度顯示儀
N10智能壓力和溫度顯示儀
WR-200工業溫度傳感器
WR-201工業溫度傳感器
WR-202工業溫度傳感器
WR-203工業溫度傳感器
BP1010擠出機的爆破閥
BP1020螺栓式爆破閥
GPD35煤礦壓力傳感器
GUY5煤礦料位傳感器
PT124B-2506灌漿壓力傳感器
PT124B-2507灌漿密度傳感器
PT124B-626灌漿隔膜壓力表
VEF310-40集成電磁流量計
PT124B-100高溫蒸汽壓力傳感器
《絕對壓力遠程午夜香蕉视频》本文地址:http://www.jiangsu010.com/news/js/560.html 轉載請勿刪除!
全國服務熱線